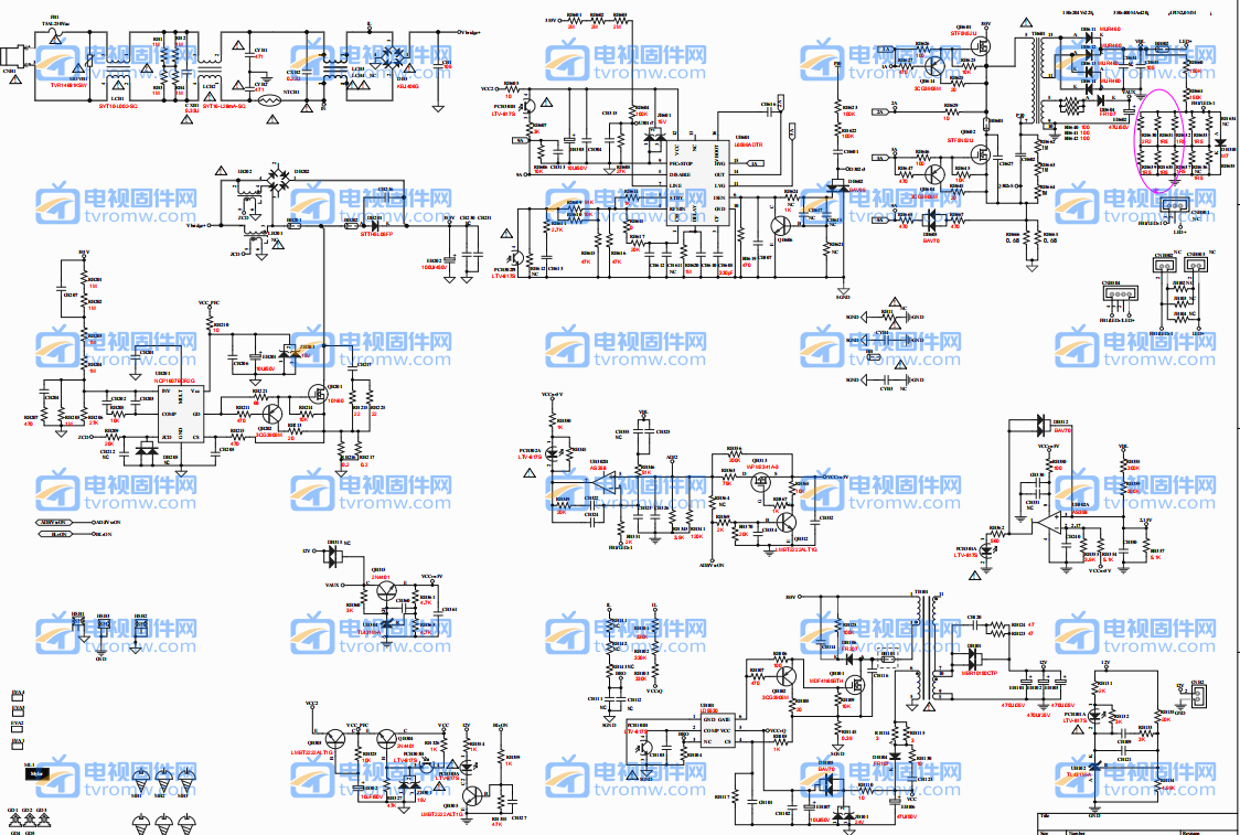
长虹电视LED49C1000N(XA6A-IP机芯)电路图

2025-02-20 0 891
收藏 (0) 打赏

感谢您的支持,我会继续努力的!

打开微信扫一扫,即可进行扫码打赏哦,分享从这里开始,精彩与您同在
点赞 (0)

温馨提示:本站资料收集于网络公开下载仅供测试和技术交流使用,请下载后24小时内删除,本站资料版权属于原作者,如有侵权请联系我们处理tvromw@qq.com!!谢谢合作!
风险提示: 刷机有风险玩机需谨慎,一切源于刷机导致的后果自负,本站概不负责;请详细查看固件是否与自身机型匹配,认真考虑是否下载!

电视刷机包下载中心_电视固件下载_电视刷机方法-电视救砖 电路图纸 长虹电视LED49C1000N(XA6A-IP机芯)电路图 https://tvromw.com/177.html

电视刷机指导,电视救砖,固件定制

上一篇:

已经没有上一篇了!

常见问题
  • 如遇到支付后无法下载或没有下载链接,请联系固件中心客服提供支付记录凭证完整的支付订单号进行处理!
查看详情
  • 由于固件程序属于虚拟商品,具有可复制性可传播性,一旦购买后,不接受任何形式的退款、换货要求。请您在购买获取之前确认好 是您所需要的资源
查看详情

相关文章

猜你喜欢
发表评论
暂无评论
电视固件网在线为您服务

为您解决电视系统故障 - 24小时在线 专业服务